橋梁設計・点検調査・工事のスペシャリスト集団 株式会社SANEi
サイトマップ
HOME
事業紹介
施工実績
SANEiの人
会社概要
採用情報
お問い合わせ
SANEiの仕事
構造物設計
構造物調査
構造物工事
会社概要
SANEiのあゆみ
所有機器
お知らせ →
WORKS
HOME
>
主要施工実績
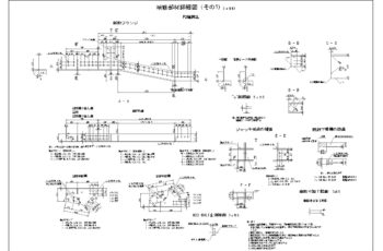
> 鋼橋(6橋)の部材取替・支承取替設計
管理者
国
地 域
九州地方
形 式
鋼単純HBB-C橋・鋼単純合成鈑桁橋・鋼連続非合成鈑桁橋ほか
工 種
部材取替工・支承取替工・当板補修工ほか
備考
施工実績一覧へ